Mercedes Benz OM611 Common Rail
Dzinējs 611.960, tips 202.133/193
Shēma

B4/6-spiediena devējs degvielas spiediena akumulatorā.
Y74-spiediena regulators.
Y75-elektriskais degvielas padeves atslēdzējs.
Y76-sprausla.
13-degvielas zemspiediena sūknis.
14-degvielas dzesētājs.
19- augstspiediena sūknis.
60-degvielas sildītājs.
70-degvielas filtrs.
80-degvielas tvertne.
A-degvielas spiediens pēc zemspiediena sūkņa.
C-degvielas atplūde uz degvielas tvertni.
D-augstspiediens.
F-retinājums.
Augstspiediena kontūrs

19-augstspiediena sūknis.
19/1-degvielas caurule no augstspiediena sūkņa uz spiediena akumulatoru.
19/16-atplūdes savienojums.
21-spiediena akumulators (Rail).
51/6-sprauslas degvielas atplūde.
B4/6-spiediena devējs.
D-augstspiediens.
Y74-spiediena regulators.
Y76-sprausla.
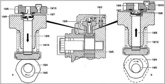
Augstspiediena sūkņa darbs

19-augstspiediena sūknis.
19/1-degvielas caurule no augstspiediena sūkņa uz spiediena akumulatoru.
19/2-no zemspiediena sūkņa.
19/4-disks.
19/5-ekscentriķis.
19/7-vārstu virsmas.
19/9-virzulis.
19/15-lodveida vārsts.
19/16-atplūde.
A-degvielas spiediens pēc zemspiediena sūkņa.
D-augstspiediens.

a-degvielas ņemšana.
19/3-augstspiediena kanāls.
19/4-disks.
19/5-ekscentriķis.
19/6-degvielas padeve.
19/7-vārstu virsmas.
19/8-vārsta atspere.
19/9-virzulis.
b-degvielas piedziņa.
19/10-virzuļa atspere.
19/15-lodveida vārsts.
19/17-atspere.
Degvielas spiediena akumulators

21-spiediena akumulators (Rail).
21/1-no augstspiediena sūkņa.
21/2-uz sprauslām.
21/3-atplūde no sprauslām.
21/4-augstspiediena sūkņa atplūde.
21/5-atplūde uz degvielas dzesētāju.
B4/6-degvielas spiediena devējs.
Y74-spiediena regulators.
Sistēma

21-spiediena akumulators (Rail).
B28-spiediena devējs.
B11/4-dzesēšanas šķidruma temperatūras devējs.
B4/6-degvielas spiediena devējs.
B37-akseleratora pedāļa stāvokļa devējs.
K40/4-releju un drošinātāju bloks.
L5-kloķvārpstas stāvokļa devējs.
N3/9-CDI vadības bloks.
N73-EZS vadības bloks.
Y74-spiediena regulators.

A1-instrumentu panelis.
A1e43-EPC kontrolspulze.
B2/5-MAF.
B4/6-degvielas spiediena devējs.
B6/1-sadales vārpstas stāvokļa devējs (Holla).
B11/4-dzesēšanas šķidruma temperatūras devējs.
B17-gaisa temperatūras devējs ieplūdē.
B28-spiediena devējs.
B37-akseleratora pedāļa stāvokļa devējs.
B40-eļļas devējs.
L5-kloķvārpstas stāvokļa devējs.
N3/9-CDI vadības bloks.
N14/2-gala pakāpe kvēlsvecēm.
N15/3-EGS vadības bloks.
N19/1-kondicioniera vadības bloks.
N22-automātiskā kondicioniera vadības bloks.
N47-2-ETS vadības vadības bloks.
N73-EZS vadības bloks, starta signāla vads, klemme 50.
S40/3-sajūga pedāļa slēdzis.
Y31/4-ARF.
Y31/5-turbo spiediena regulēšana.
Y74-spiediena regulators.
Y83-vārsts ieplūdes klapēm.
63-pretvārsts.
101-EGR vārsts.
102-vakuuma elements spiediena regulatora.
104-vakuuma sūknis.
110-turbokompresors.
110/2-turbopūtes siltummainis.
110/10-vakuuma elements turbopūtes spiediena regulatora.
112/1-filtrs.
120/1-neitralizators, pie dzinēja.
120/2-katalizators, apakšā.
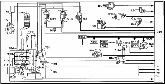
Vadības bloka ienākošie un izejošie signāli

A1-instrumentu panelis.
A1e43-EPC kontrolspulze.
B2/5-MAF.
B4/6-degvielas spiediena devējs.
B6/1-sadales vārpstas stāvokļa devējs (Holla).
B11/4-dzesēšanas šķidruma temperatūras devējs.
B17-gaisa temperatūras devējs ieplūdē.
B28-spiediena devējs.
B37-akseleratora pedāļa stāvokļa devējs.
B40-eļļas devējs.
K40/4-releju un drošinātāju bloks.
L5-kloķvārpstas stāvokļa devējs.
N3/9-CDI vadības bloks.
N14/2-gala pakāpe kvēlsvecēm.
N15/3-EGS vadības bloks.
N19/1-kondicioniera vadības bloks.
N22-automātiskā kondicioniera vadības bloks.
N47-1-ASR/PML vadības bloks.
N47/7-ABS vadības bloks.
N54/1-infrasarkano staru piekļūšanas sistēmas vadības bloks.
N73-EZS vadības bloks, starta signāla vads, klemme 50.
S40/3-sajūga pedāļa slēdzis.

A1-instrumentu panelis.
A1e43-EPC kontrolspulze.
N3/9-CDI vadības bloks.
N14/2-gala pakāpe kvēlsvecēm.
N15/3-EGS vadības bloks.
N19/1-kondicioniera vadības bloks.
N22-automātiskā kondicioniera vadības bloks.
N47-1-ASR/PML vadības bloks.
N47/7-ABS vadības bloks.
N54/1-infrasarkano staru piekļūšanas sistēmas vadības bloks.
N73-EZS vadības bloks, starta signāla vads, klemme 50.
N76-elektroventilatora vadības bloks.
X11/4-diagnostikas štekeris.
Y31/4-ARF.
Y31/5-redukcijas vārsts.
Y74-spiediena regulators.
Y75-atslēgšanas vārsts.
Y83-ieplūdes kanāla atslēgšanas vārsts.
Turbopūte ar starpdzesēšanu

107-ieplūdes kolektors.
110-turbīna.
A-atmosfēra.
B-saspiestā gaisa izeja.
C-izplūdes gāzes uz turbīnu.
D-izplūdes gāzu izeja.
Turbopūtes spiediena regulēšana

107-ieplūdes kolektors.
110-turbīna.
110/2-dzesētājs.
110/10-spiediena regulatora membrāna(vakuuma).
B28-spiediena devējs.
Y31/5-vakuuma vārsts.
ATM-ventilācija no motortelpas.
OUT-spiediena pārveidotāja izejošais spiediens.
VAC-vakuums no vakuuma sūkņa.
EGR

101-EGR vārsts.
102-EGR regulatora membrāna.
103-spiediena regulēšanas klape jaucēja korpusā.
107-ieplūdes kolektors.
110/22-kanāls cilindru blokā izplūdes gāzu pārvadīšanai
B2/5-MAF.
B28-spiediena devējs.
Y31/4-ARF.
VAC-vakuums no vakuuma sūkņa.
ATM-ventilācija no motortelpas.
OUT-spiediena pārveidotāja izejošais spiediens.
Ieplūdes kanāla atslēgšana

110/18-ieplūdes virpuļkanāls.
110/19-piepildīšanas kanāls.
110/20-klape.
110/21-ieplūdes kanāla vakuuma atslēdzējs.
Y83-ieplūdes kanāla atslēgšanas vārsts.
VAC-vakuums no vakuuma sūkņa.
ATM-ventilācija no motortelpas.
OUT-spiediena pārveidotāja izejošais spiediens.